為積極貫徹落實國家“碳達峰”戰略目標,加快推進自治區能源電力低碳清潔綠色轉型,支撐新能源高比例消納和高質量發展,內蒙古自治區能源局于2021年4月陸續下發系列文件,要求各盟市組織本地區相關企業開展火電靈活性改造工作,編制并申報具體實施方案。
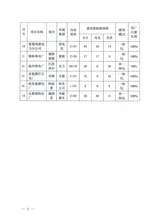
截至2021年8月,各盟市共計上報近40個火電靈活性改造項目方案,經自治區能源局組織委托有關技術機構對上報方案進行可行性論證后,最終納入內蒙古2021年火電靈活性改造的項目計15項,涉及改造燃煤裝機容量1146萬千瓦,新增新能源消納空間300萬千瓦以上,可支撐新增新能源500萬千瓦左右,實施方案涉及建設新能源426萬千瓦。其中,風電219萬千瓦、光伏207萬千瓦。
內蒙古恒瑞新能源受內蒙古錦聯電廠和霍煤鴻駿電力分公司委托,編制了《內蒙古錦聯鋁材有限公司火電靈活性改造促進市場化消納新能源試點項目實施方案》和《內蒙古霍煤鴻駿電力分公司火電靈活性改造促進市場化消納新能源試點項目實施方案》,本次兩個方案均被列入自治區2021年火電靈活性改造項目名單。方案涉及改造燃煤裝機容量136萬千瓦,建設新能源87萬千瓦,其中風電45萬千瓦、光伏42萬千瓦。
內蒙古恒瑞新能源有限責任公司編制的實施方案,根據當地建設條件,經過資源精準分析,結合火電靈活性改造后的調峰能力,通過仿真模擬計算,科學合理確定風光儲容量規模,并結合兩企業的實際情況進行了財務測算,最終保證改造項目的可行性和盈利性。
內蒙古恒瑞新能源有限責任公司是國家級高新技術企業,多年來致力于能源電力相關領域技術咨詢、研發及創新,創造了可再生能源發展研究及應用領域具有重大影響的多項創新技術成果及多個全國性示范項目。





